CN
主页 产品中心 > 四轴系列 > 蜗轮蜗杆四轴系列
产品特性
高扭力
双导程、双轴承设计,耐重切削,齿轮咬合面达35%-45%,利于耐重切削及连续加工耐磨性好,1-2年无需调背隙。
高精度
标配绝对式编码器,可进行高精度分割。独创的软件补偿算法可提升高硬度材料加工精度。可做精细补偿实现分度精度15秒以内(标准20arcsec)
安全可靠
采取高效的气压锁紧方式以及配备标准电磁阀,操作简易安全,制动强劲,结构设计紧凑
产品参数

wolunwogan4.jpg+

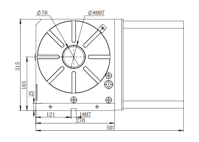
产品尺寸
加入我们,获取最新信息
现在订阅我们的新闻快讯